Artist statement:
The effects of war and conflict can be devastating and long-lasting, affecting the lives of countless people in many ways. For the past three years, I have been documenting life in Kashmir through a profound and thought-provoking series of photographs. The images display the hardships and resiliency of people living in the valley. Each image encapsulates the core essence of everyday life in the midst of conflict, documenting not just the struggles but also the determination of people to survive each day. The collection is a compelling depiction of the realities of life in conflict zones, where uncertainty and fear loom large but not without a glimmer of hope. The photo series serves as an incredibly poignant reminder of the impact of conflict on individuals and their communities, making it all the more critical for people to empathize and gain a better understanding of the issues facing these people. The series offers a window into a world that remains invisible to many, showcasing the power and importance of visual storytelling.

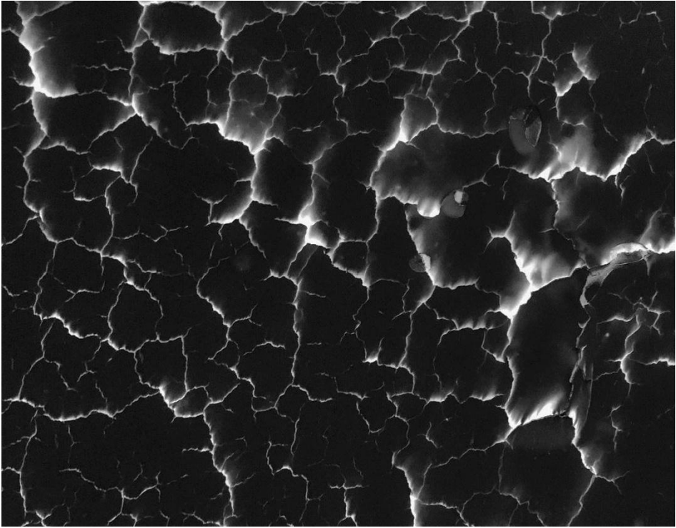
This image may resemble an abstract wallpaper on your phone or an old blackboard at first glance, but in reality, it’s a poignant photograph of a charred wall from a home in Srinagar’s Nowgam Area. The dwelling was destroyed during a military encounter in March 2022, leaving behind a trail of heart-wrenching destruction. Adding to this tragedy, Fatima (name changed), who was scheduled to get married in April, lost her wedding dress and all her cherished jewellery in the encounter. The devastation of this incident highlights the significant impact of conflict on civilians in the region.

The subject of this particular photograph is a wardrobe that has incurred extensive damage from a military encounter, as evidenced by the numerous bullet holes present on its metal exterior. To be precise, the wardrobe contains more than 17 bullet holes that serve as a haunting reminder of the violence and destruction that transpired during the encounter. The bullet-ridden wardrobe is emblematic of the adverse impact of conflict on civilians, as it represents not only the physical damage inflicted on personal property but also the emotional toll of having one’s safety and security upended and shattered.

The photograph captures a striking image of a masked protester standing in the midst of gleaming sunlight. The masked face and the radiant sunlight cast a thought-provoking juxtaposition of hope and fear, emblematic of the struggle of the people in Kashmir. The mask, a common sight among protestors in the region, is a testament to the harsh realities of living under an oppressive regime. The inability of the people of Kashmir to express their dissent without fear of reprisal from the authorities is illustrated vividly by the presence of the mask. However, it is the play of sunlight on the masked face that brings to mind a glimmer of hope amidst the darkness that hangs over the populace. The rays of the sun illuminating the face of the protestor serve as a poignant symbol of optimism, representing the unwavering spirit of the people of Kashmir in the face of adversity. In this way, the photograph serves not only as a striking visual document of a particular moment in time but also as a powerful commentary on the human condition in the face of oppression.

The photograph depicts a policeman arresting a man who has participated in a Muharram procession in Kashmir while wearing a Che Guevara shirt. The image portrays the tension between the two individuals, with the man’s clothing symbolizing his non-conformist views and dissenting ideology. The shirt, emblazoned with the image of Che Guevara, stands as a representation of ideas such as revolution, anti-imperialism, and social justice. The image underscores the plight of individuals who dissent against established norms and are often subjected to violence, oppression and punishment under the guise of ‘a threat to the integrity of the Indian state’.

This picture portrays a parent raising his six-month-old child in the air as a political act of defiance, protesting the prohibition of the 8th Muharram procession in Srinagar, Kashmir. The photo serves as a haunting reminder of the tragic death of Ali Asghar, the six-month-old son of Imam Hussain, during the battle of Karbala in 680 AD. By linking the historic event to the contemporary socio-political climate in Kashmir, this picture reflects the continued struggles of oppressed people fighting for their rights and freedom against state-sanctioned oppression. Through the use of subtle artistic significance, the image alludes to the ageless quest for justice and the search for humanity’s betterment, a struggle that remains as relevant today as it was in the past.

This image is of a soldier standing in front of the Naya Kashmir hotel in Kashmir’s Lal Chowk. Through its powerful visual language, the picture serves as a testament to the tragic reversal of fortunes that has befallen the people of Kashmir under the guise of ‘Naya Kashmir.’ In this context, the image poetically exposes the destruction of Kashmir’s social fabric, with the once-glistening promise of normalcy now overshadowed by a desolate reality of military occupation and governmental oppression.

In Maisuma, Srinagar, a wall stands adorned with the scattered remnants of torn posters depicting the countenance of esteemed figures – Maqbool Bhat, Afzal Guru, and Amanullah Khan. As the different layers of the torn images subtly reveal small parts of these iconic figures’ faces, it is a testament to the complexity of their legacies in the minds of Kashmiris. The picture serves as a powerful testimony to the enduring spirit of resistance that courses through the very soul of Kashmir, even as violent conflict continues to tear at its heart.

The photograph captures a powerful image of a person walking past graffiti that reads “Azadi – We Want Freedom,” which serves as a reminder of the ongoing struggle for self-determination in Kashmir. The lone figure walking past the graffiti symbolizes the resilience and courage of the Kashmiri people in their struggle, even as they face immense challenges and oppression. The act of walking, in this context, is a metaphor for the collective movement towards a peaceful Kashmir, despite the obstacles in the way.
(This picture was originally published in Frontline Magazine’s January 2023 edition)

The photo evokes a powerful testament to the undaunted spirit of Kashmiris, as a Shia Muslim is seen shouting Islamic slogans while being detained by the police for participating in a procession in Lal Chowk, Srinagar on the 8th day of Muharram. The image captures the essence of the spirit of perseverance that is synonymous with Kashmiri people. The man’s voice reverberates like a clarion call across the indomitable human spirit, rising above the clang of the handcuffs and the batons that seek to restrain him. The police jeep that encloses him represents not only the oppressive forces that seek to quell the voice of resistance but also the unrelenting will of the people that continues to surmount even the harshest of obstacles. The photo is a tribute to the unbreakable spirit of the Kashmiri people, who refuse to be silenced or oppressed, even in the face of immense adversities.

The photo captures a heartbreaking scene of police brutality in Lal Chowk, Srinagar, where two young boys are being detained by the police. The photo raises broader questions about the nature of policing in Kashmir and the need to uphold basic human rights. Yet, despite the brutality depicted, the enduring bond between the two young men imbues the photo with a sense of hope and resilience, reminding us of the importance of human connection in times of adversity.

This photograph captures a harrowing moment in Maisuma, Srinagar, where Indian policemen in full riot gear, including helmets and face masks, are chasing protestors through clouds of teargas smoke. The intensity of the situation evokes the tense and violent nature of protests in Kashmir, calling into question the effectiveness of police response. The image highlights the stark power imbalance between the heavily armed police and the unarmed
protesters, who are faced with violent intervention despite their peaceful demonstration. The unsettling scene prompts serious reflection on the role of law enforcement agencies in addressing unrest and raises concern over the potential violation of human rights in such situations. Overall, this photograph underscores the imperative of peaceful communication and mutual respect in resolving disputes, instead of resorting to force and aggression.

This photograph depicts a wall that was once covered in political graffiti stating “We want Freedom,” which has now been painted over by state forces in a haphazard manner using a blue colour. The painted-over phrase now reads “We want free Jio SIM,” suggesting a mocking and dismissive approach taken by the forces to the original message. The image highlights the suppression of political expression and the use of state power to silence opposing voices, thereby questioning the notion of freedom of speech and the government’s disregard for it. The act of painting over the graffiti appears to be an attempt to trivialize the demands of the protestors and their grievances, which only perpetuates the conflict and reinforces their struggle for civil rights.
About the artist:
Hassnain Riza is a freelance photojournalist based in Indian-administered Kashmir. With a keen eye for capturing powerful visuals that tell stories, he is dedicated to shedding light on the realities and experiences of people in the conflict-ridden region. Born and raised in Kashmir, he combines his passion for photography with an unwavering commitment to documenting the lives of its residents and the struggles they face on a daily basis. His work has been featured in prominent Indian and international publications. Through his lens, he captures the raw emotions, resilience, and determination of the people he encounters, leaving a lasting impact on viewers worldwide.

Comments are closed.